Briquette Making Machine

Low-cost machine transforming organic waste into sustainable fuel

Environmental Crisis

The devastating impact of deforestation for charcoal production

8.2M
Trees Cut Down
2011-2017 for charcoal
25-35%
Greenhouse Gases
From biomass burning
High Cost
Industrial Machines
Expensive & complex

Problem

According to a UN based report, about 8.2 million trees were cut down for charcoal between 2011 and 2017. This largely contributes to the 25 to 35 percent of climate-changing greenhouse gases which come from biomass burning.

Briquette making machines are also very expensive due to their industrially-focused designed nature, limiting access to sustainable fuel alternatives.

Key Challenges

  • • Massive deforestation for charcoal
  • • High greenhouse gas emissions
  • • Expensive industrial briquette machines
  • • Limited access to sustainable alternatives

Solution

Explore the use of organic waste like fruit peels or second hand clothing for making briquettes as an alternative for charcoal. Design a low cost briquette making machine that makes sustainable fuel production accessible to communities.

Key Features

  • • Organic waste utilization (fruit peels, clothing)
  • • Low-cost machine design
  • • Charcoal alternative production
  • • Community-accessible technology
  • • Reduced deforestation impact

Project Overview

Design Philosophy

Creating accessible technology that transforms waste into sustainable energy solutions while addressing the global deforestation crisis through innovative engineering design.

Environmental Impact

By utilizing organic waste instead of trees, this machine directly addresses deforestation while providing communities with an affordable way to produce clean-burning fuel alternatives.

Project Details

Role: Design Lead
Company: Goliath Robotics
Focus: Sustainable Technology
Impact: Environmental

Key Responsibilities

  • • Led mechanical design process
  • • Created CAD models and iterations
  • • Developed cost-effective solutions
  • • Built and tested physical prototype

Design & Development

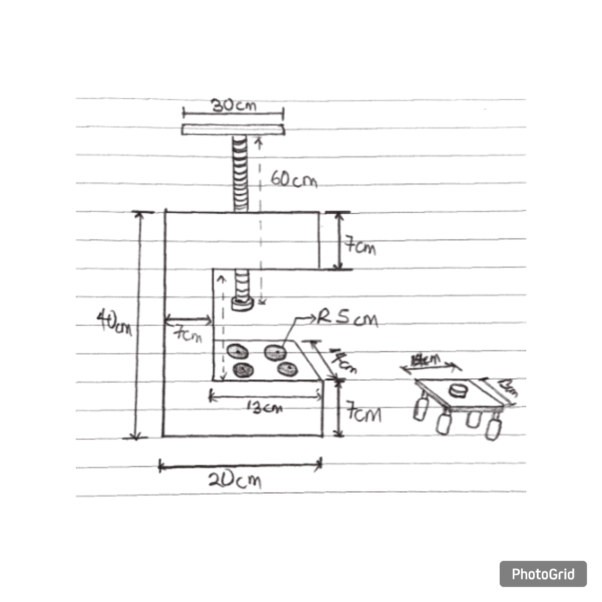
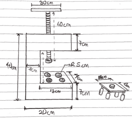
CAD Drawing and Design Iterations

CAD Design & Iterations

Detailed CAD drawings showing multiple design iterations and mechanical engineering solutions for the briquette making machine

Final Model Prototype

Final Model Prototype

Completed physical prototype demonstrating the working briquette making machine with cost-effective design implementation

Waste to Energy Process

1

Waste Collection

Gather organic waste materials like fruit peels and used clothing

2

Material Processing

Prepare and process waste materials for briquette formation

3

Compression

Use machine to compress materials into solid briquette form

4

Sustainable Fuel

Produce eco-friendly briquettes as charcoal alternatives

Technology Benefits

🌱

Environmental Protection

Reduces deforestation by providing sustainable alternatives to charcoal production

♻️

Waste Utilization

Transforms organic waste into valuable energy resources, reducing landfill burden

💰

Cost Effective

Low-cost design makes sustainable fuel production accessible to communities

🏭

Community Scale

Designed for local production rather than large industrial operations

🌍

Carbon Reduction

Significantly reduces greenhouse gas emissions from biomass burning

Clean Energy

Produces clean-burning fuel alternatives with higher efficiency

Environmental Impact

Transforming waste into sustainable energy while protecting forests

Zero
Trees Cut Down
100%
Waste Utilization
Low Cost
Community Access

Explore More Projects